반응형
L293D는 모터를 돌릴 때 제어하기 위해 필요한 모터 드라이버입니다. 우리가 컴퓨터에서 키보드나 마우스를 연결해서 작동시킬 때도 드라이버가 필요하죠? 마찬가지로 이러한 모터를 컴퓨터와 연결 후 코드를 통해 우리가 원하는 대로 제어하기 위해서는 역시 모터 드라이버가 필요합니다.
이번 글에서는 모터 드라이버의 하나인 L293D에 대해서 설명하고자 합니다.

이렇게 16개의 핀으로 구성되어 있습니다.

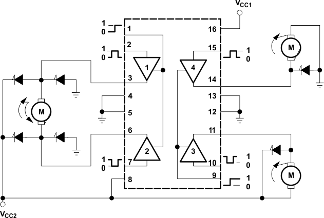
회로로 표현하면 이렇게 나옵니다.
꽤 어렵게 느껴질 수 있지만 확실한 것은 전류가 흐르는 방향에 따라서 모터의 회전 방향을 바꿀 수 있도록 한다는 점입니다.
그리고 L293D 모터 드라이버는 최대 2개의 모터를 제어할 수 있습니다.
반응형
'Portpolio > iot programming' 카테고리의 다른 글
| picamera는 64비트에서 작동불가 (0) | 2024.05.19 |
|---|---|
| 라즈베리파이 cpu 온도 확인하기 (0) | 2024.05.13 |
| 라즈베리파이의 GPIO (0) | 2024.05.10 |
| rc카 섀시 보호필름이 단단하다 (1) | 2024.05.10 |
| 모니터 없이 원격으로 라즈베리파이 os 설치하는 과정 (0) | 2024.04.22 |
댓글